Discussion Closed This discussion was created more than 6 months ago and has been closed. To start a new discussion with a link back to this one, click here.

Parametric Sweep for 3 variables

Please login with a confirmed email address before reporting spam

Dear all,

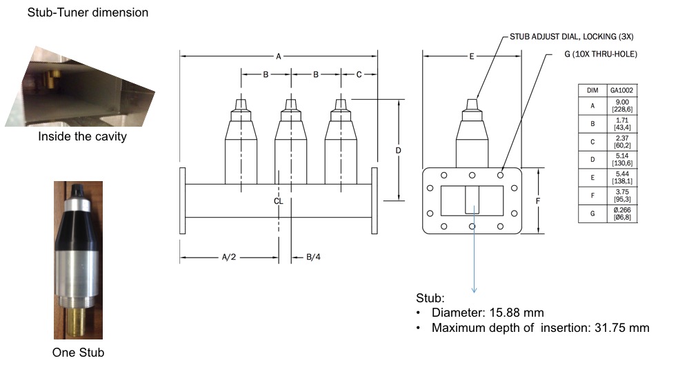
I have a stub tuner in my microwave heating system and this tuner has 3 metal stubs (see the attached file) and I would like to optimise the cavity regarding the S11 data by doing a parametric sweep.
What I am going the change only the height of the stubs (immersion depth into the waveguide) so is it possible to do the parametric sweep using the 3 stubs' height all together?

I would appreciate it if you could help me about this situation.

Thanks.


3 Replies Last Post Aug 15, 2016, 1:05 p.m. EDT

Please login with a confirmed email address before reporting spam

Posted: 9 years ago Aug 12, 2016, 1:00 p.m. EDT
Hakan,
You can do parametric sweep for as many as parameter combinations as a you wish. Add height parameters ( give different name for each tuner height parameters) their ranges in the parametric sweep study node and in sweep type select all combinations.
Hakan, You can do parametric sweep for as many as parameter combinations as a you wish. Add height parameters ( give different name for each tuner height parameters) their ranges in the parametric sweep study node and in sweep type select all combinations.

Please login with a confirmed email address before reporting spam

Posted: 9 years ago Aug 12, 2016, 1:25 p.m. EDT
Dear Sohan,

Thank you so much for the answer.
Actually I have tried to introduce the parameters (see the attached file), and I put the range for three of them the thing is that the software solved them all together within the same range but when I chose different range for the 2nd stub it gives an error saying "Parameter lists do not have equal length for specified combination sweep type".
What I want to correlate here the simulation works or not. To do that I used a network analyser, and I obtained the maximum S11 data ca. -30dB (@2.45GHz) with playing the stubs. Finally I obtained the depths of immersion of these stubs, and I introduced into the comsol, but the software gives this number around -3dB (@2.46GHz).
I am so confused about this S-parameters. Do I need to do any special configuration to obtain this S11data?
I look forward to hearing from you soon.

Thanks.

Dear Sohan, Thank you so much for the answer. Actually I have tried to introduce the parameters (see the attached file), and I put the range for three of them the thing is that the software solved them all together within the same range but when I chose different range for the 2nd stub it gives an error saying "Parameter lists do not have equal length for specified combination sweep type". What I want to correlate here the simulation works or not. To do that I used a network analyser, and I obtained the maximum S11 data ca. -30dB (@2.45GHz) with playing the stubs. Finally I obtained the depths of immersion of these stubs, and I introduced into the comsol, but the software gives this number around -3dB (@2.46GHz). I am so confused about this S-parameters. Do I need to do any special configuration to obtain this S11data? I look forward to hearing from you soon. Thanks.


Please login with a confirmed email address before reporting spam

Posted: 9 years ago Aug 15, 2016, 1:05 p.m. EDT
For different level of the parameters you need to choose all combinations rather than specified one. What is the wall boundary condition for waveguide and cavity? Change to impedance from PEC and assign boundary materials properties. Have you run the frequency sweep?

Sohan
For different level of the parameters you need to choose all combinations rather than specified one. What is the wall boundary condition for waveguide and cavity? Change to impedance from PEC and assign boundary materials properties. Have you run the frequency sweep? Sohan

Note that while COMSOL employees may participate in the discussion forum, COMSOL® software users who are on-subscription should submit their questions via the Support Center for a more comprehensive response from the Technical Support team.