Discussion Closed This discussion was created more than 6 months ago and has been closed. To start a new discussion with a link back to this one, click here.
Circuit terminal question
Posted Apr 8, 2012, 11:37 p.m. EDT Version 5.1 19 Replies
Please login with a confirmed email address before reporting spam
I'm trying to build a model four terminal nodes. Two of them are COMSOL voltage (terminal 1) and ground (terminal 0), another two is connected to 'external' resistor which is not defined as part of the multiphysics model.
Should I name the two terminal as type 'circuit', and name them 2,3? Then choose the nodes in electric circuit (cir) to be 2 and 3? What else should I do? I'm have an error says The DAE is structurally inconsistent .
Thanks!
Please login with a confirmed email address before reporting spam
interesting question, by default circuit node "0" is gnd, but can you define a circuit without "0" ? or does this not define a unconstrained equation set ?
I believe only "support can reply correctly/fully, in case you get the reply, pls report back, I believe it's of general interest.
One way around, to check if it solves your inconsistency, is to attach a 1Mohm resistor between "0" and "2" or "3" or some other high value
--
Good luck
Ivar
Please login with a confirmed email address before reporting spam
Hi
interesting question, by default circuit node "0" is gnd, but can you define a circuit without "0" ? or does this not define a unconstrained equation set ?
I believe only "support can reply correctly/fully, in case you get the reply, pls report back, I believe it's of general interest.
One way around, to check if it solves your inconsistency, is to attach a 1Mohm resistor between "0" and "2" or "3" or some other high value
--
Good luck
Ivar
I got the reply form support.
The nodes name and terminal name are not directly mapped by naming them the same.
Terminals should be set to circuit.
Then in the electric current (cir), create External I vs U, the circuit type terminals will show up in a drop down menu. Select the terminal you want, then in the nodes enter the node name and 0 (ground).
For example, I want to connect a resistor to terminal 2 and 3, and calculate impedance from terminal 1 and 0.
1. set terminal 2 and 3 to circuit
2. create External I vs U, select term2, enter node name 2, 0. (the first node could be any number, as long as it is consistent with other circuit components)
3. repeat for terminal 3.
4. create resistor, enter node name 2 and 3.
Hope I explained clear enough!
Please login with a confirmed email address before reporting spam
In my simulation I'm getting a similar error. DAE is structurally inconsistent and Error in automatic sequence generation.
I have 3 terminals on my structure. Terminal 1 should connected to ground. Terminal 2 to a voltage supply (essentially voltage source between term 1 and 2). And terminal 3 is connected to an external resistor the other end of which goes to ground again.
Should I be using External I- Terminal 1 or External I vs U1 for these terminals? What is the difference really?
In my model I have declared terminal 1 as ground. Terminal 2 and 3 as 'circuit'.
I'm not sure where I am going wrong. Any suggestions will help a lot!
Thanks.
Sneha
Please login with a confirmed email address before reporting spam
that error means typically that you have missed a node id, probably in the node references linking to the terminals in the other physics. Unfortunately COMSOL does not sketch out the node structure
First by default GND is node "0" in COMSOL, I believe it should work if you change that systematically, but I mostly leave the defaults.
What is often confusing, is that in the physics you have Terminal names 1,2,3... by default, but these have nothing to do with the Circuit nodes numbers, they are just names, you can call them i,ii,iii or Electrode1,Eelectrode2 etc
You must define the correct U vs I or I vs U circuit terminal between the two correct node numbers AND linked to the appropriate terminal by hand
--
Good luck
Ivar
Please login with a confirmed email address before reporting spam
Thanks for the reply. I think I haven't disturbed the Ground node.
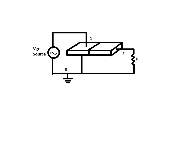
I have attached a small prototype of my design, the 'device' is my multiphysics model and i need to interface it with Electrical Circuit connections.
As per the diagram, in my physics model I have declared terminal 0 as ground. Terminal 1 and 2 are of the terminal type 'Circuit'.
In the Electrical Circuit (cir) node, I added a Ground node with node name '0'.
I added an External I-terminal 1 with node name 1 and Electrical potential as term1 (terminal voltage from drop down).
I added an External I-terminal 2 with node name 2 and Electrical potential as term2 (terminal voltage from drop down).
I added a Voltage source between node names 1 and 0 and Source type as AC.
I added a Resistor between node names 2 and 0 with value 100 ohms.
Is there any need to use External I vs U ? What mistake am I doing here ?
Thanks.
Sneha
Attachments:
Please login with a confirmed email address before reporting spam
Hello,
Thanks for the reply. I think I haven't disturbed the Ground node.
I have attached a small prototype of my design, the 'device' is my multiphysics model and i need to interface it with Electrical Circuit connections.
As per the diagram, in my physics model I have declared terminal 0 as ground. Terminal 1 and 2 are of the terminal type 'Circuit'.
In the Electrical Circuit (cir) node, I added a Ground node with node name '0'.
I added an External I-terminal 1 with node name 1 and Electrical potential as term1 (terminal voltage from drop down).
I added an External I-terminal 2 with node name 2 and Electrical potential as term2 (terminal voltage from drop down).
I added a Voltage source between node names 1 and 0 and Source type as AC.
I added a Resistor between node names 2 and 0 with value 100 ohms.
Is there any need to use External I vs U ? What mistake am I doing here ?
Thanks.
Sneha
Yes you need External IvsU (or UvsI depending on your 'device'). Otherwise comsol can't pass the potential/current of the node between circuit model and multiphysics model
Please login with a confirmed email address before reporting spam
I do not believe this is flagged as an "error" but normally you do not need to define a terminal ground, you can directly set the BC to GND via a GND BC of your physics. Then the defult GND = node 0 of the circuit physics will be connected to your physics GND by default. asically you need only 2 terminals.
Indeed you need either IvsU or the opposite depending on the physics and related deepnet variables choosen, If the Terminal is set to circuit and the IvsU or UvsI show you the drop down list of terminal 1 and terminal 2 then its the correct one. But your IvsU node must also refer to CIRC node 0 for gnd and 1, respectively 2 for the other connection
Check the model library for "CIRC" and train with the examples therein
--
Good luck
Ivar
Please login with a confirmed email address before reporting spam
I checked all the connections, added the External I-vs U connections, I still get the same error 'DAE is structurally inconsistent. Error in automatic sequence generation'.
My device is basically a three terminal piezo transformer, where i want to apply an AC voltage to the input terminals for varying frequencies and connect a resistor at the output terminal. The input an output terminals have a common ground. The pictorial representation is as shown in the jpeg file attached.
And my model is as attached. After declaring the circuit connections, I am trying to do a Freq Domain study since I want to vary the input frequency to the transformer.
Any ideas what might have gone wrong? Thanks a lot!
Sneha
Attachments:
Please login with a confirmed email address before reporting spam
Now the DAE error goes away but i the simulation stops and does not converge.
It gives the following errors.
Failed to find a solution for the initial parameter.
Segregated group 2
Singular matrix.
There are 845 equations giving NaN/Inf in the matrix rows for the variable mod1.V
at coordinates: (0,0,0.001212), (0,0.00177295,0.001212), (0,0.000886477,0.001212), (0,0.00177338,0.000606), (0,0.00361705,0.001212), ...
There are 1 equations giving NaN/Inf in the matrix rows for the variable mod1.pzd.V0 1
at coordinates: (0,0,0), ...
There are 1 equations giving NaN/Inf in the matrix rows for the variable mod1.pzd.V0 2
at coordinates: (0,0,0), ...
There are 43 equations giving NaN/Inf in the matrix rows for the variable mod1.w
at coordinates: (0.0242227,0.000939462,0.000606), (0.0252546,0.000939462,0.000606), (0.0244915,0.00185179,0.000606), (0.0228954,0.00367508,0.000606), (0.0263181,0.000899886,0.000606), ...
and similarly for the degrees of freedom, NaN/Inf in the matrix columns
Returned solution is not converged.
I can't really make sense out of it. Does it have something to do with the tolerance by any chance?
Thanks!
Sneha
Please login with a confirmed email address before reporting spam
Have you found a workaround for this issue? I am having the same problem as you (Singular/zero/inf matrix), but only for my 3D piezo models coupled with circuits. I have physics-copy 2D models that run fine with circuits... I can't explain why. I've been fiddling with solver parameters with no success.
Also, I ran your model (with the small resistors added for stability) and my solver got caught in Stationary Group 1 (the initialization of the circuit.) This is where my other models get stuck, also. Can you upload your newest model so I can see how you even got past this point?
Thanks,
Marc
Please login with a confirmed email address before reporting spam
After trying to play around with the Solver, this is the error I get stuck at:
Failed to find a solution for the initial parameter.
Maximum number of segregated iterations reached.
Returned solution is not converged.
Is this what you mean too by error in the initialization of the circuit?
Unfortunately haven't found a way around yet. What circuit are you trying to interface with electrical circuits?
Sneha
Please login with a confirmed email address before reporting spam
I fixed my problem- It is a relatively easy fix so I actually hope this works for you also.
For some reason, the default solver (but only in 3D) is a segregated solver. So it was trying to solve the physics of the circuit and the piezo are independently. Since the circuit is open without the FEA model attached, it's getting the zeros for currents- an error indeed.
We need to use a fully coupled solver so that the circuit "sees" the FEA model as we told it to via the External I vs. U (or External Terminal-I). Open up your study all the way and try the following:
1) Right-click on your stationary solver and add "Fully Coupled".
2) Delete the "Segregated" Solver.
3) disable the first "Direct" Linear solver (which was associated with the segregated solver). It might do this automatically.
You can play with the new Fully Coupled solver and damping/tolerances if you need to refine, but that is what got it going again for me.
Regards,
Marc
Please login with a confirmed email address before reporting spam
Thanks for your post.
It does solve my problem too :)!
I'm just trying to figure out a few other things in my model now.
The other question I had was, I have used External I vs U for both my input and output terminals. Although my input terminal goes to the voltage source through a small resistor, I have named the other node of this terminal as 0 (even though it's other end is not really connected directly to ground), because thats what I understood from the definition of External I vs U. Is that the correct way to go about?
Thanks again!
Sneha
Please login with a confirmed email address before reporting spam
take care the name of the terminals are arbitrary characters (by default numbers: 0, 1 ,2, 3), nothing to do with the CIR circuit nodes that are valid only internally to the CIR physics. You must use the pull down fields to connect your Terminal to the circuit, and in the CIR I-O node to connect to the correct terminal (if none is present, you have choosen the wrong UvsI or IvsU node)
--
Good luck
Ivar
Please login with a confirmed email address before reporting spam
I rearranged your circuit nodes based on your .jpg diagram and how they made sense to me- although there are usually several "correct" ways rather than just the one . Seeing as your model has three terminals, and you need to define four in the circuit, I believe the two terminals need to share a node. External I vs U should be correct for both piezo terminals.
Let me know if the attached solution is what you were intending. Note: I ended up using MUMPS at the solver. PARDISO was default and was having convergence issues.
Thanks for sharing this problem, it is an interesting one. Do you mind if I ask the application?
Regards,
Marc
Attachments:
Please login with a confirmed email address before reporting spam
Should I add more External I vs Term according to the number of terminals ?
What I try to do is I designed a capacitor from that I want to get the E Fields in Time Dependent -Electric Currents model. If I do simply capacitor with an AC source I can get the E Field map easily, but I want to do it with phase difference between voltage and current. Thus I added my model as a resistor 2 cylindrical stick with appropriate material.
Can I merge EC model with ECIR model in my project?
Note: there is a gap inside the D shapes.
Attachments:
Please login with a confirmed email address before reporting spam
it depends how the R&C are connected, by default they arrive between 0=gnd and "1" but you might just retype R from 0-1 and C from 1-2 and then set your input/output terminal to node "2", and you have a high pass filter with nodes 0, 1, 2
--
Good luck
Ivar
Please login with a confirmed email address before reporting spam
Do we need to click or select the nodes on the figure also. i am new not sure after adding voltage source, capacitor.
Kindly help
Please login with a confirmed email address before reporting spam
"The “External” features are considered “ideal” current or voltage sources
by the Electrical Circuit interface. Hence, you cannot connect them
directly in parallel (voltage sources) or in series (current sources) with
other ideal sources. This results in the error message The DAE is
structurally inconsistent. A workaround is to provide a suitable parallel
or series resistor, which can be tuned to minimize its influence on the
results."
from page 76 of this manual hpc.mtech.edu/comsol/pdf/ACDC_Module/ACDCModuleUsersGuide.pdf
Regards!
Note that while COMSOL employees may participate in the discussion forum, COMSOL® software users who are on-subscription should submit their questions via the Support Center for a more comprehensive response from the Technical Support team.
